KESSEL Kellerablauf Der Universale Rückstausicherung zum günstigen Preis online kaufen
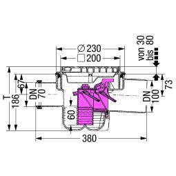
Der KESSEL Kellerablauf Der Universale verdankt seinen Namen der universellen Einsatzmöglichkeiten. Ob mit Edelstahl- oder Kunststoffrost, der Kellerablauf mit herausnehmbarem Rückstaudoppelverschluss und handverriegelbarem Notverschluss überzeugt durch sein Zubehör und seine Anwendungsfreundlichkeit. Der Kellerablauf hat einen Schlammeimer, zwei Zuläufe DN 50 und einen Zulauf DN 70 mit Blindstopfen. Der Rückstaudoppelverschluss ist herausnehmbar und hat einen von Hand verriegelbaren Notverschluss. Die Geruchsverschlusshöhe beträgt 60 mm. Das Aufsatzstück ist aus Kunststoff, das bei der Edelstahlausführung auch einen Edelstahlrostrahmen hat. Es ist teleskopisch von 20-65 mm höhenverstellbar. Die Ablaufleistung beträgt 1,8 L/s.